| Sign In | Join Free | My components-electronic.com |
|
Brand Name : Kingpo
Model Number : KP-7006-142-1
Certification : iso9001 ce
Place of Origin : china
MOQ : 1
Price : To be quoted
Payment Terms : T/T
Supply Ability : 1000 pcs per month
Delivery Time : 7 working days
Packaging Details : safety carton pack or plywood box
Material : Hardness Steel
Standard : IEC60061-3
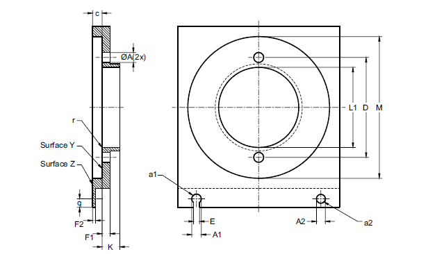
GX53 Lamp cap gauge | "GO" and "NOT GO" Gauge For Caps GX53 | 7006-142-1
PURPOSE: To check caps GX53-.. in the following respects:
- the diameter of the individual pins (dimension A);
- the combined displacement and diameter of the pins (dimensions A and D);
- the length of the pins (dimension F1);
- the recess length and diameter of the pins (dimensions F2 and E);
- the maximum cap outline with respect to dimensions M, L1 and K.
TESTING: It shall be possible to insert the individual pins of the cap from surface Z into hole a1 and remove the pin along the slot.
It shall not be possible to insert the pins of the cap into hole a2.
It shall be possible to insert the cap from surface Z into the gauge until the reference plane of the cap is in contact with surface Y of the gauge. In this position neither the pins nor the centre post shall project beyond the surface of the gauge.

Related gauges for GX53
| 7006-142-1 "GO" AND "NOT GO" GAUGE FOR CAPS | GX53 | PURPOSE: To check caps GX53-.. in the following respects: - the diameter of the individual pins (dimension A); - the combined displacement and diameter of the pins (dimensions A and D); - the length of the pins (dimension F1); - the recess length and diameter of the pins (dimensions F2 and E); - the maximum cap outline with respect to dimensions M, L1 and K. |
| 7006-142D-1 "NOT GO" GAUGE FOR CAPS | GX53 | PURPOSE: To check the minimum cap diameter (dimension L1) of caps GX53-.. |
| 7006-142E-1 "GO" AND "NOT GO" GAUGE FOR CHECKING KEYWAYS IN CAPS | GX53 | PURPOSE: To check caps GX53-1 in the following respects: - correct keyway position in relation to cap pins; - the minimum height and width of the keyway (dimensions W and X2); - to prevent the possibility of insertion of only one pin. |
| 7006-142F-1 "NOT GO" GAUGE FOR CHECKING KEYWAYS IN CAPS | GX53 | PURPOSE: To check the maximum keyway width (dimension X) of caps GX53-.. |
|
|
GX53 Lamp cap gauge | "GO" and "NOT GO" Gauge For Caps GX53 | 7006-142-1 Images |